Save $20
on any order of $599+
Save $30
on any order of $999+
Save $50
on any order of $1499+
View All Coupon Codes
Contact Us For Pricing
Options and Related Products
Lovejoy, 68514476445, U Type with out Keyway, Regular Version - Inch (Imperial) Bore
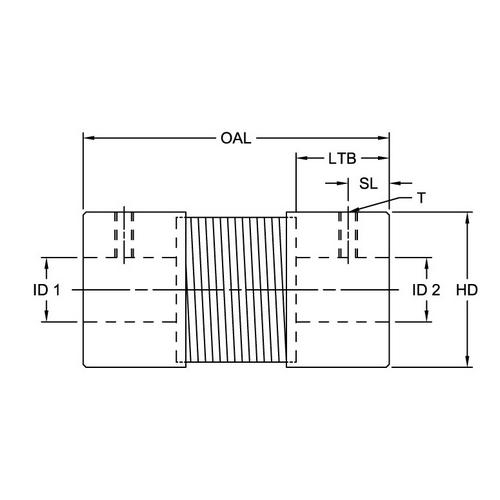
The U Type is the basis for all Uniflex couplings. It is a shaft-to-shaft flexible coupling with a simple one piece design, making it ideal for indexing, robotic or positioning applications. The U Type consists of a triple-wound flexible steel spring brazed to a steel hub at each end. This all steel design ensures optimum equipment protection in severe environments and/or high temperature applications. Special hub or bore modifications are also possible. These units can be supplied with either pin holes or with keyways and set screws. Lovejoy does not recommend the reboring of uniflex couplings by customers due to potential damage to the brazed joint.
We aim to show you accurate product information. Here you will find what the manufacturers have provided us with. See our disclaimer.
Note: Please read description carefully. Do not base your order on the picture presented.