Lovejoy, 68514441920, LC100 L Type Hub with Keyway - Inch (Imperial) Bores, 3/4"
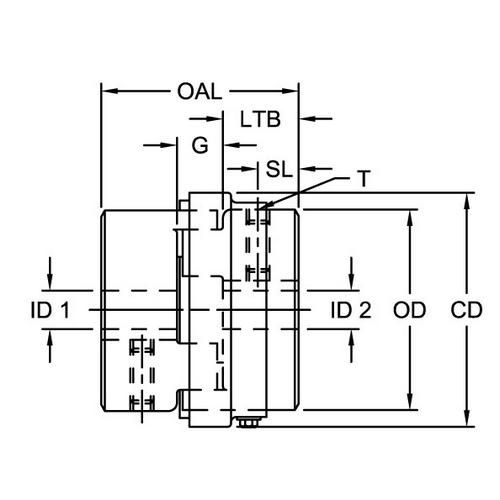
The LC Type coupling consists of one standard L Type hub (without collar attachment), one LC Type hub (provides collar attachment), one standard snap wrap center and one collar with screws. In addition to 1 LC Hub, to make a full coupling, three additional components are needed: 1 standard L Type hub (found in L Type section), 1 standard snap wrap center, & 1 collar with screws.
Features:
- Radially removable insert
- Collar allows for maximum speed of 3600 RPM
- Collar manufactured from 1018 Steel
- These "LC" hubs are drilled and tapped to accept collar mounting screws but the collar and hardware are not included.
- All hubs are supplied standard with one set screw.