Save $20
on any order of $599+
Save $30
on any order of $999+
Save $50
on any order of $1499+
View All Coupon Codes
Contact Us For Pricing
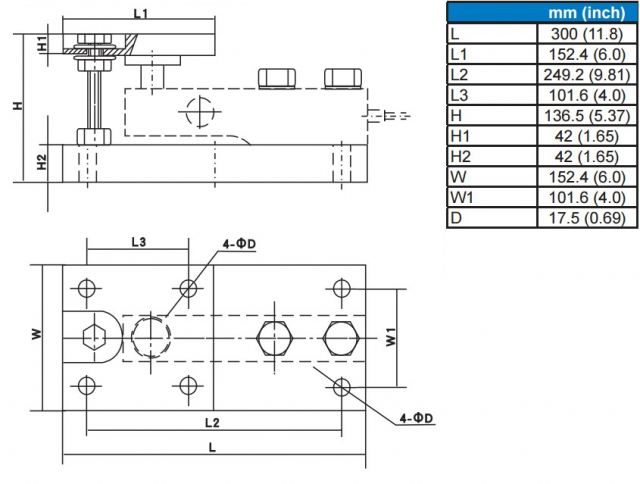
Brecknell, HM-8-401-5t-3, Weighing Module Kit w/3 HM8 Load Cells, 10000lb/4535kg
Weighing Module Kit with 3 HM8 Load Cells, 10000lb / 4535kg per Each Load Cell
Includes:
Features:
We aim to show you accurate product information. Here you will find what the manufacturers have provided us with. See our disclaimer.
Note: Please read description carefully. Do not base your order on the picture presented.