Save $20
on any order of $599+
Save $30
on any order of $999+
Save $50
on any order of $1499+
View All Coupon Codes
Contact Us For Pricing
Options and Related Products
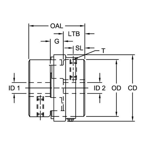
Lovejoy, 68514458574, LC150 LC Type Hub with Keyway - Metric Bore, 48 mm, 14 x 3.8 mm
Features:
The LC Type coupling consists of one standard L Type hub (without collar attachment), one LC Type hub (provides collar attachment), one standard snap wrap center and one collar with screws.
We aim to show you accurate product information. Here you will find what the manufacturers have provided us with. See our disclaimer.
Lovejoy LC Type Jaw Couplings
Note: Please read description carefully. Do not base your order on the picture presented.