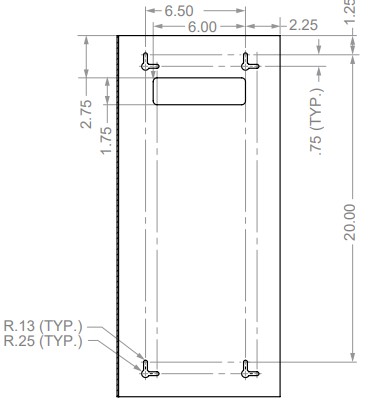
Bowman Dispensers FM002-0213 Face Mask Dispenser - Combo

  • Condition
    Brand New

We aim to show you accurate product information. Here you will find what the manufacturers have provided us with. See our disclaimer.

Notes

* Free Ground Shipping within the continental U.S. only (excludes Alaska, Hawaii, PO Boxes and APO/FPO addresses).